Collet MSGS-200 (93004240) Iwata

93004240
Disponible sous demande

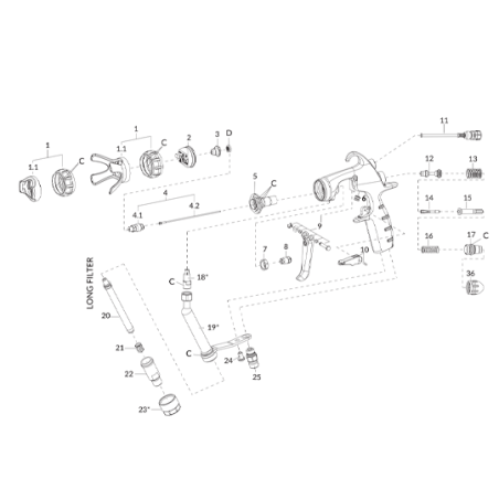
Cette pièce détachée est un Collet pour Pistolet Peinture MSGS-200 Iwata | Repère 14

https://www.anest-iwata-coating.com/

Voir la description complète

32,40 € HT / 38,88 € TTC

Fiche technique

Référence
93004240
Catégorie
Collet
Repère
14
Pistolet
MSGS-200 Iwata