Réglage de jet MSGS-200 (93004290) Iwata

93004290
Disponible sous demande

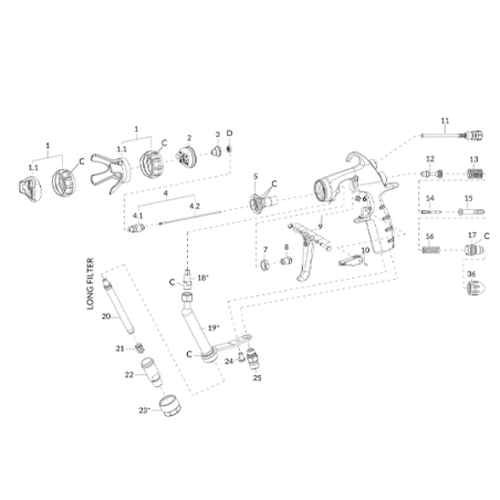
Cette pièce détachée est un Réglage de jet pour Pistolet Peinture MSGS-200 Iwata | Repère 11

https://www.anest-iwata-coating.com/

Voir la description complète

40,95 € HT / 49,14 € TTC

Fiche technique

Référence
93004290
Catégorie
Réglage de jet
Repère
11
Pistolet
MSGS-200 Iwata