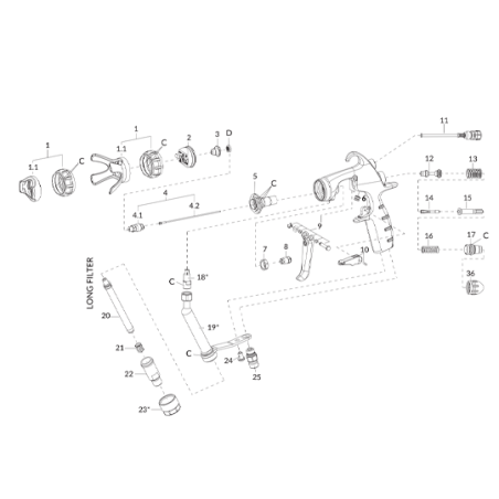
Kit Gâchette MSGS-200 (930143A0) Iwata

930143A0
Disponible sous demande

Cette pièce détachée est un Kit Gâchette pour Pistolet Peinture MSGS-200 Iwata | Repère 9

https://www.anest-iwata-coating.com/

Voir la description complète

39,56 € HT / 47,47 € TTC

Fiche technique

Référence
930143A0
Catégorie
Kit gâchette
Repère
9
Pistolet
MSGS-200 Iwata