Kit Siège + aiguille MSGS-200 (93004160) Iwata

93004160
Disponible sous demande

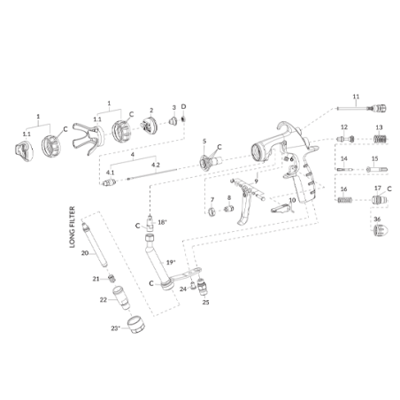
Cette pièce détachée est un Kit siège et aiguille pour Pistolet Peinture MSGS-200 Iwata | Repère 4

https://www.anest-iwata-coating.com/

Voir la description complète

165,60 € HT / 198,72 € TTC

Fiche technique

Référence
93004160
Catégorie
Buse + Aiguille
Repère
4
Pistolet
MSGS-200 Iwata