Chapeau d'air MSGS-200 (93004320) Iwata

93004320
Disponible sous demande

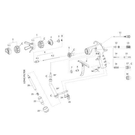
Cette pièce détachée est un Chapeau d'air pour Pistolet Peinture MSGS-200 Iwata | Repère 2

https://www.anest-iwata-coating.com/

Voir la description complète

117,76 € HT / 141,31 € TTC

Fiche technique

Référence
93004320
Catégorie
Chapeau d'air
Repère
2
Pistolet
MSGS-200 Iwata